Задній міст трактора ЮМЗ-6

ТОВ «Агро-Дніпро» пропонує вашій увазі запчастини на задній міст ЮМЗ-6 за найнижчими цінами.
Ціна на задній міст трактора ЮМЗ-6 в нашому інтернет-магазині набагато менше цін в спеціалізованих магазинах.
Ми є безпосередніми виробниками запчастин до тракторів та іншої сільськогосподарської техніки, тому наші ціни вас приємно здивують і порадують. Встигніть замовити задній міст трактора ЮМЗ-6, зробивши всього лише один телефонний дзвінок, або скориставшись послугою онлайн-замовлення на нашому сайті http://agrodnepr.in.ua/.
Наші менеджери в найкоротші терміни допоможуть вам купити запчастини на задній міст трактора ЮМЗ-6, а також організують доставку замовлення в будь-яку точку України.
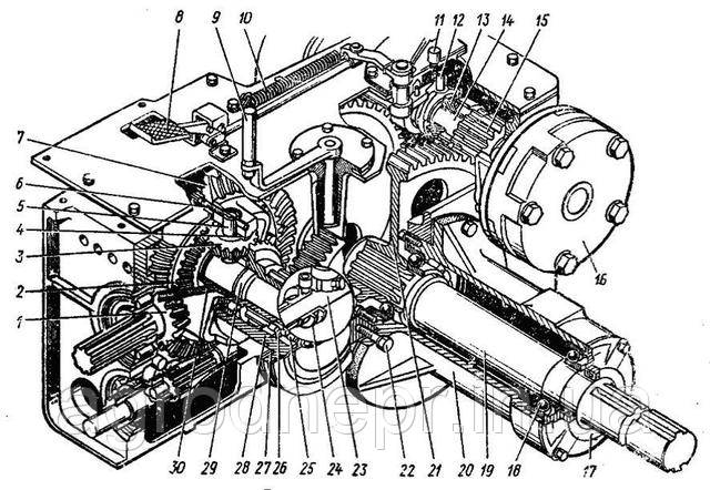
Задній міст, а насамперед диференціал заднього моста, необхідний для забезпечення обертання провідних коліс з різною частотою і на різних поверхнях, у тому числі при повороті трактора ЮМЗ.
Диференціал, згаданий вище, являє собою відкритого типу шестерню з двома сателіти.
Саттеліти призначені для з'єднання двох напівосьових шестерень в одну вісь. Колеса трактора будуть обертатися з такою ж частотою, з якою обертається шестерня.
На задній стінці КПП і заднього мосту передбачений спеціальний кронштейн для закріплення навісного обладнання перед трактором (фронтальна наважка).

Пояснення до кресленню

Купити запчастини на задній міст ЮМЗ-6 ви можете, відвідавши наш інтернет-магазин, за адресою http://agrodnepr.in.ua/. Вибір товарів на нашому сайті максимально спрощений для користувача, ви можете скористатися рядком пошуку товару по його назві або артикулу.
Наші ціни демократичні і практично не залежать від росту валюти! Ми працюємо як з оптовими, так і з роздрібними покупцями.
Телефонуйте і ми з радістю допоможемо вибрати цікаву для вас запчастина для трактора, а також організуємо доставку замовлення.

